展开分类
  • KCB型系列齿轮泵
  • 2CY型系列齿轮泵
  • KCB系列大流量齿轮油泵
  • 移动式齿轮泵
  • TCB防爆齿轮泵
  • KCG、2CG型高温齿轮泵
  • YCB系列圆弧齿轮泵
  • RT系列熔体泵/热熔胶泵
  • S型齿轮泵
  • CB-B液压齿轮泵
  • ZYB型硬齿面渣油泵
  • CH、CHY系列齿轮泵
  • BCB系列摆线内啮合齿轮泵
  • GZB-63-JL滚子变量泵
  • DHB系列点火油泵/增压燃油泵
  • 共2页,当前第1页
    <<
    [1]
    2
    >>

    BB-B摆线齿轮泵

    齿轮泵-CB-B齿轮泵
     

    BB-B线齿轮泵

     


    ● BB-B摆线齿轮泵概述
      BB-B型摆线齿轮油泵是一种容积式内啮合齿轮油泵,由于该泵结构简单、噪音低、输油平稳、高转速、自吸性能好,广泛适用于2.5MPa以下的液压系统,亦可作为动力泵和润滑泵。

    ● BB-B摆线齿轮泵特殊说明
      BB-B型摆线油泵分内泄漏和外泄漏两种油泵, 订货时请说明! 额定压力:2.5MPa 转速:1450r/min。BB-B*Y型是带安全阀的。

    BB-B摆线齿轮泵内部结构
     

    BB-B摆线齿轮泵性能参数
             
     

    型号

    流量 L/min

    压力 MPa

    转速 r/min

    压力脉动 MPa

    容积效率 µv%

    驱动功率 kw

    BB-B BB-BY

    4

    4

    2.5

    1500

    0.15

    ≥ 80

    0.21

    6

    6

    0.31

    10

    10

    0.51

    BB-B BB-BY

    16

    16

    ≥ 90

    0.82

    20

    20

    1.02

    25

    25

    1.30

    32

    32

    1.65

    BB-B BB-BY

    40

    40

    ≥ 90

    2.10

    50

    50

    2.60

    63

    63

    3.30

    BB-B BB-BY

    80

    80

    ≥ 90

    4.10

    100

    100

    5.10

    125

    125

    6.50

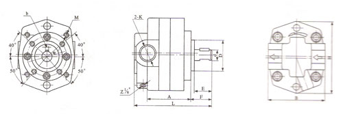
    技术规格

    型号

    A

    B

    E

    F

    H

    L

    D

    d

    ф

    b

    M

    K

    BB-B4

    50

    72

    25

    30

    92

    94

    ф 35

    ф 12

    ф 50

    4

    M6

    Z 3/8”

    BB-B6

    55

    99

    BB-B10

    64

    108

    BB-B16

    72

    95

    30

    35

    117

    127

    ф

    50

    ф 16

    ф 65

    5

    M8

    Z 3/4”

    BB-B20

    76

    131

    BB-B25

    81

    136

    BB-B32

    88

    143

    BB-B40

    85

    110

    32

    37

    134

    144

    ф 55

    ф 22

    ф 80

    6

    M8

    Z 3/4”

    BB-B50

    90

    149

    BB-B63

    97

    156

    BB-B80

    102

    130

    40

    40

    154

    175

    ф 70

    ф 30

    ф

    95

    8

    M8

    进 Z1 1/4”

    BB-B100

    109

    182

    BB-B125

    118

    191

    出 Z1”

    网站图片
    圆弧齿轮泵-导热油泵 2014(C)版权所有
    技术支持:中科四方