展开分类
  • LQB型沥青保温泵
  • RCB沥青保温泵
  • CLB型沥青保温齿轮泵
  • LCB-3B型乳化沥青泵
  • 沥青乳化机
  • 共1页,当前第1页
    <<
    [1]
    >>

    CLB型沥青保温齿轮泵

    沥青保温泵-沥青泵-保温泵
    CLB型沥青保温齿轮泵
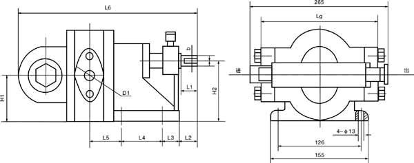
    CLB型沥青保温齿轮泵为旋转式,主要由泵体、机座、主动齿轮、从动齿轮和安全阀体等组成。
    主动轴由一个附加的含油轴套支承,通过油杯补充HG-24号饱和汽缸油润滑。
    泵的两侧装有带圆锥管螺纹的连接头以便连接进口管道位,该圆锥销制有内螺纹以便于拆卸。其密封纸垫还用以调整齿轮的轴向间隙,该间隙规定为单向在0.05-0.08mm之间。
    机座的下部有四个孔供安装使用
    本泵设有安全阀,出厂时已调定工作压力为1-+0.05mpa并加以铅封。
    工作时,介质进入吸液腔,通过齿轮的旋转将介质压入排液腔并流出。调节手轮可以改变输出流量,当向右旋转手轮,安全阀被顶开,泵即失去输出压力而停止排液;当向左旋转手轮,安全阀即恢复作用,介质正常输出。
    主要用于抽吸、输送和喷布高温的沥青(渣油)液体,适用于道路和广场等建筑工程的沥青(渣油)喷布作业,也可在常温下用于抽吸、输送非高挥发性、低闪点的石油产品,如各种机油、机械油及重油等。
     
    网站图片
    圆弧齿轮泵-导热油泵 2014(C)版权所有
    技术支持:中科四方