3QGB系列
三螺杆泵是一种容积式泵,显著的优点是结构简单、体积小、允许高转速工作平稳可靠、压力脉动小、流量稳定、噪音低、效率高。正是利用螺杆啮合原理,依靠旋转的螺杆在泵套内相互啮合,把被输送的介质封闭在啮合腔内,沿螺杆轴向连续匀速地推至排出口,为系统提供稳定的压力。
三螺杆泵适用千输送各种无腐蚀性油类及类似油的液体,输送液体的粘度一般为3 0~760mm
2/s。高粘度介质可通过加温降粘后输送,其温度一般不_350
。C。
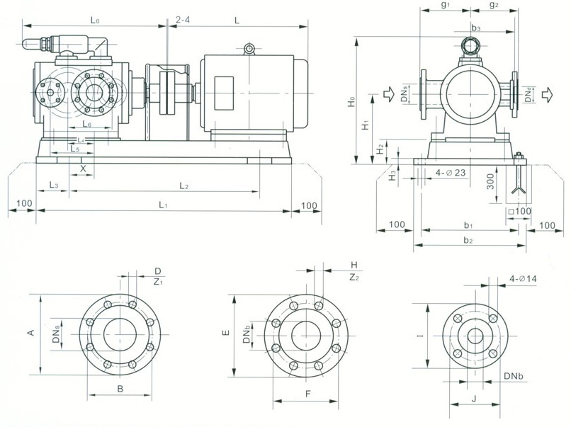
3QGB系列三螺杆泵采用铸钢制成,有保温和不带保温两种,建议高粘度介质采用保温结构的螺杆泵。泵的进出口方向,在通常情况下按图示方向出厂即右进左出。如用户有特殊要求也可做成左进右出。
三螺杆泵广泛应用于石油、化纤、冶金、机械、电力、机床、船舶、玻璃、公路等各行各业。
三螺杆泵适用于输送燃料油、润滑油、液压油、重油、沥青及其它类似油的润滑性液体。
该泵密封性能好,采用机械密封,根据用户不同的介质,机械密封磨擦件选用不同的材质,对于高粘度介质,选用机械强度高、耐磨性好的硬质合金材料,_了高温下的密封性能。
